爱发科GLD040真空泵 详细介绍
技术参数
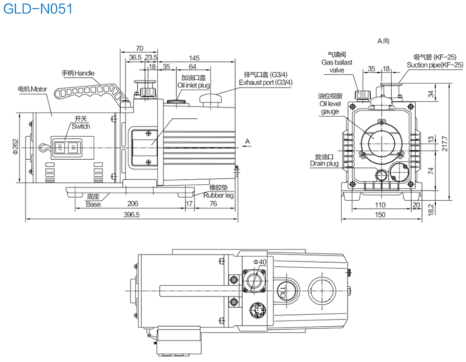
外形尺寸



抽速曲线


技术参数
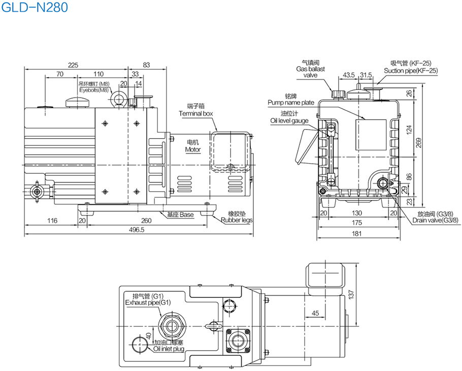
外形尺寸



抽速曲线

